
我公司研制的D671X氣動對夾式軟密封蝶閥雙偏心法蘭式蝶閥結構緊湊,90°回轉開關輕松,密封可靠,使用壽命長,被廣泛用于水廠、電廠、鋼廠、造紙、化工、飲食等系統供排水中,作為調節和截止使用。
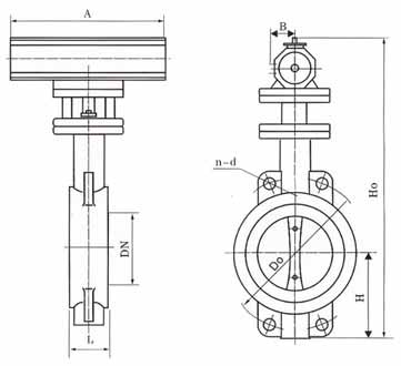
| 公稱通徑 | 結構長度 (標準值) |
外形尺寸(參考值) | 連接尺寸(標準值) | |||||||||
|---|---|---|---|---|---|---|---|---|---|---|---|---|
| 0.6MPa | 1.0 MPa | 1.6 MPa | ||||||||||
| 毫米 | 英寸 | L | H | Ho | A | B | D0 | n-d | D0 | n-d | D0 | n-d |
| 50 | 2 | 43 | 63 | 315 | 180 | 65 | 110 | 4-14 | 125 | 4-18 | 125 | 4-18 |
| 65 | 21/2 | 46 | 70 | 330 | 180 | 65 | 130 | 4-14 | 146 | 4-18 | 145 | 4-18 |
| 80 | 3 | 46 | 83 | 390 | 245 | 72 | 150 | 4-18 | 160 | 8-18 | 160 | 8-18 |
| 100 | 4 | 52 | 105 | 431 | 240 | 72 | 170 | 4-18 | 180 | 8-18 | 180 | 8-18 |
| 125 | 5 | 56 | 115 | 455 | 240 | 72 | 200 | 8-18 | 210 | 8-18 | 210 | 8-18 |
| 150 | 6 | 56 | 137 | 626 | 350 | 93 | 225 | 8-18 | 240 | 8-22 | 240 | 8-22 |
| 200 | 8 | 60 | 164 | 720 | 350 | 93 | 280 | 8-18 | 295 | 8-22 | 295 | 12-22 |
| 250 | 10 | 68 | 206 | 800 | 550 | 350 | 335 | 12-18 | 350 | 12-22 | 355 | 12-26 |
| 300 | 12 | 78 | 230 | 860 | 600 | 350 | 395 | 12-22 | 400 | 12-22 | 410 | 12-26 |
| 350 | 14 | 78 | 248 | 883 | 600 | 350 | 445 | 12-22 | 460 | 16-22 | 470 | 16-26 |
| 400 | 16 | 102 | 289 | 972 | 600 | 350 | 495 | 16-22 | 515 | 16-26 | 525 | 16-30 |
| 450 | 18 | 114 | 320 | 1043 | 750 | 380 | 550 | 16-22 | 565 | 20-26 | 585 | 20-30 |
| 500 | 20 | 127 | 343 | 1098 | 750 | 380 | 600 | 20-22 | 620 | 20-26 | 650 | 20-33 |
| 600 | 24 | 154 | 413 | 1236 | 750 | 380 | 705 | 20-26 | 725 | 20-30 | 770 | 20-36 |
| 700 | 28 | 165 | 478 | 1431 | 750 | 380 | 810 | 24-26 | 840 | 24-30 | 840 | 24-36 |
| 800 | 32 | 190 | 525 | 1488 | 750 | 380 | 920 | 24-30 | 950 | 24-33 | 950 | 24-39 |
| 900 | 36 | 203 | 620 | 1615 | 1250 | 380 | 1020 | 24-30 | 1050 | 28-33 | 1050 | 28-39 |
| 1000 | 40 | 216 | 725 | 1765 | 1500 | 580 | 1120 | 28-30 | 1160 | 28-36 | 1170 | 28-42 |
| 1200 | 48 | 254 | 780 | 1976 | 1500 | 580 | 1340 | 32-33 | 1380 | 32-39 | 1390 | 32-48 |
注:若用戶需用閥板襯橡膠等特殊要求,訂貨時請注明
溫馨提示:
本文中所有文字、數據、圖片均只適用于參考。需要查看更多的D671X氣動對夾式軟密封蝶閥性能參數、結構尺寸參數、價格等詳情,或要求印刷樣本,請聯系我們。
主營產品:氣動調節閥 - 電動調節閥 - 自力式調節閥
版版權所有 © 上海大田閥門管道工程有限公司
地址:上海市浦東新區川宏路528號宏圖大樓5樓
