電動截止閥的啟閉件是塞形的閥瓣,密封面呈平面或錐面,閥瓣沿流體的中心線作直線運動。閥桿的運動形式,有升降桿式(閥桿升降,手輪不升降),也有升降旋轉桿式(手輪與閥桿一起旋轉升降,螺母設在閥體上)。電動截止閥只適用于全開和全關,不允許作調節和節流。
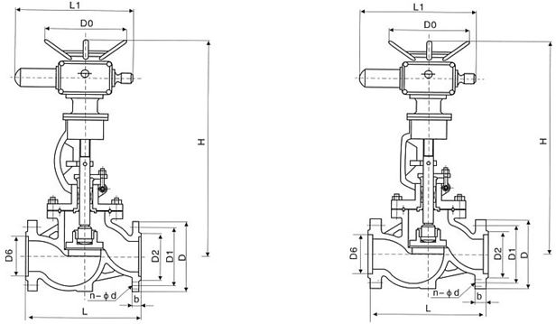
| 1.6MPa | DN | L | D | D1 | b | n-Φd | 電裝型號 | L1 | H | D0 |
|---|---|---|---|---|---|---|---|---|---|---|
| 凸面法蘭 RF J941H J941Y J941W J 941F J941N
16C 16P 16R 16I |
50 | 230 | 160 | 125 | 16 | 4-Φ18 | DZW10 | 590 | 645 | 365 |
| 65 | 290 | 180 | 145 | 18 | 4-Φ18 | DZW10 | 590 | 690 | 365 | |
| 80 | 310 | 195 | 160 | 20 | 8-Φ18 | DZW20 | 590 | 715 | 365 | |
| 100 | 350 | 215 | 180 | 20 | 8-Φ18 | DZW20 | 590 | 770 | 365 | |
| 125 | 400 | 245 | 210 | 22 | 8-Φ18 | DZW30 | 590 | 780 | 365 | |
| 150 | 480 | 280 | 240 | 24 | 8-Φ23 | DZW45 | 590 | 875 | 365 | |
| 200 | 600 | 335 | 295 | 26 | 12-Φ23 | DZW60 | 810 | 967 | 470 | |
| 250 | 650 | 405 | 335 | 30 | 12-Φ25 | DZW90 | 810 | 1153 | 470 | |
| 300 | 750 | 460 | 410 | 30 | 12-Φ25 | DZW120 | 830 | 1292 | 550 | |
| 2.5MPa | 50 | 230 | 160 | 125 | 20 | 4-Φ18 | DZW10 | 590 | 645 | 365 |
| 凸面法蘭 RF J941H J941Y J941W 25 25P 25R 25I |
65 | 290 | 180 | 145 | 22 | 8-Φ18 | DZW10 | 290 | 690 | 365 |
| 80 | 310 | 195 | 160 | 22 | 8-Φ18 | DZW20 | 590 | 715 | 365 | |
| 100 | 350 | 230 | 190 | 24 | 8-Φ23 | DZW20 | 590 | 770 | 365 | |
| 125 | 400 | 270 | 220 | 28 | 8-Φ25 | DZW30 | 590 | 780 | 365 | |
| 150 | 480 | 300 | 250 | 30 | 8-Φ25 | DZW45 | 810 | 875 | 470 | |
| 200 | 600 | 360 | 310 | 34 | 12-Φ25 | DZW60 | 810 | 967 | 470 | |
| 250 | 650 | 425 | 370 | 36 | 12-Φ30 | DZW90 | 830 | 1153 | 550 | |
| 300 | 750 | 485 | 430 | 40 | 12-Φ30 | DZW120 | 830 | 1292 | 550 |

| 4.0MPa | DN | L | D | D1 | D2 | D6 | b | n-Φd | 電裝型號 | L1 | H | D0 |
|---|---|---|---|---|---|---|---|---|---|---|---|---|
| 凹凸法蘭 MFM J941H J941Y J941W 40 40P 40R 40I |
50 | 230 | 160 | 125 | 100 | 88 | 20 | 4-Φ18 | ZDW10 | 590 | 645 | 365 |
| 65 | 290 | 180 | 145 | 120 | 110 | 22 | 8-Φ18 | ZDW10 | 590 | 690 | 365 | |
| 80 | 310 | 195 | 160 | 135 | 121 | 22 | 8-Φ18 | ZDW20 | 590 | 715 | 365 | |
| 100 | 350 | 230 | 190 | 160 | 150 | 24 | 8-Φ23 | ZDW30 | 590 | 770 | 365 | |
| 125 | 400 | 270 | 220 | 188 | 176 | 28 | 8-Φ25 | ZDW45 | 810 | 782 | 470 | |
| 150 | 480 | 300 | 250 | 218 | 204 | 30 | 8-Φ25 | ZDW60 | 810 | 875 | 470 | |
| 200 | 600 | 375 | 320 | 282 | 260 | 38 | 12-Φ30 | ZDW90 | 830 | 1160 | 550 | |
| 6.4MPa | 50 | 300 | 175 | 135 | 105 | 88 | 26 | 4-23Φ | ZDW10 | 590 | 710 | 365 |
| 凹凸法蘭 MFM J941H J941Y J941W 64 64P 64R 64I |
65 | 340 | 200 | 160 | 130 | 110 | 28 | 8-Φ23 | ZDW20 | 590 | 750 | 365 |
| 80 | 380 | 210 | 170 | 140 | 121 | 30 | 8-Φ23 | ZDW30 | 590 | 785 | 365 | |
| 100 | 430 | 250 | 200 | 168 | 150 | 32 | 8-Φ25 | ZDW45 | 810 | 837 | 470 | |
| 125 | 500 | 295 | 240 | 202 | 176 | 36 | 8-Φ30 | ZDW60 | 810 | 1031 | 470 | |
| 150 | 550 | 340 | 280 | 240 | 204 | 38 | 8-Φ34 | ZDW90 | 830 | 1066 | 550 | |
| 200 | 650 | 405 | 345 | 300 | 260 | 44 | 12-Φ34 | ZDW120 | 830 | 1213 | 550 |

| 10.0MPa | DN | L | D | D1 | D2 | D6 | b | n-Φd | 電裝型號 | L1 | H | D0 |
|---|---|---|---|---|---|---|---|---|---|---|---|---|
| 凹凸法蘭 MFM J941H J941Y J941W 100 100P 100R 100I |
50 | 300 | 195 | 145 | 112 | 88 | 28 | 4-Φ25 | DZW20 | 590 | 714 | 365 |
| 65 | 340 | 220 | 170 | 138 | 110 | 32 | 8-Φ25 | DZW30 | 590 | 734 | 365 | |
| 80 | 380 | 230 | 180 | 148 | 121 | 34 | 8-Φ25 | DZW45 | 810 | 847 | 470 | |
| 100 | 430 | 395 | 210 | 172 | 150 | 38 | 8-Φ30 | DZW60 | 810 | 950 | 470 | |
| 125 | 500 | 310 | 250 | 210 | 176 | 42 | 8-Φ34 | DZW90 | 830 | 1142 | 550 | |
| 150 | 550 | 350 | 290 | 250 | 204 | 46 | 12-Φ34 | DZW120 | 830 | 1240 | 550 | |
| 200 | 650 | 430 | 360 | 312 | 260 | 54 | 12-Φ41 | DZW180 | 870 | 1425 | 320 | |
| 16.0MPa | 50 | 300 | 215 | 165 | 132 | 88 | 36 | 8-Φ25 | DZW30 | 590 | 562 | 365 |
| 凹凸法蘭 MFM J941H J941Y J941W 160 160P 160R 160I |
65 | 340 | 245 | 190 | 152 | 110 | 44 | 8-Φ30 | DZW45 | 810 | 743 | 470 |
| 80 | 380 | 260 | 205 | 168 | 121 | 46 | 8-Φ30 | DZW90 | 830 | 820 | 550 | |
| 100 | 430 | 300 | 240 | 200 | 150 | 48 | 8-Φ34 | DZW120 | 830 | 935 | 550 | |
| 125 | 500 | 355 | 285 | 238 | 176 | 60 | 8-Φ41 | DZW180 | 870 | 1180 | 320 | |
| 150 | 550 | 390 | 318 | 270 | 204 | 66 | 12-Φ41 | DZW250 | 870 | 1290 | 320 |