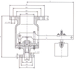
GA42/GA44型杠桿式安全閥適用于工作溫度≤450℃的空氣、蒸汽等介質的設備和管路上,作為超壓保護裝置。當設備和管路內壓力超過允許值時,閥門自動關閉,保證設備和管路的安全運行。該閥出口有套筒式、法蘭式二種,選購時應先核對確認。
該安全閥適用于城建、化工、冶金、石油、制藥、食品、飲料、環保

| 公稱通徑 DN(mm) |
尺寸(mm) | 重量(kg) | ||||
|---|---|---|---|---|---|---|
| Do | DN | H | L | GA42 | GA44 | |
| 40 | 32 | 15 | 344 | 715 | 45 | 50 |
| 50 | 40 | 15 | 344 | 715 | 50 | 65 |
| 80 | 50 | 15 | 344 | 715 | 75 | 90 |
溫馨提示:
本文中所有文字、數據、圖片均只適用于參考。需要查看更多的GA42/GA44型杠桿式安全閥性能參數、結構尺寸參數、價格等詳情,或要求印刷樣本,請聯系我們。
主營產品:氣動調節閥 - 電動調節閥 - 自力式調節閥
版版權所有 © 上海大田閥門管道工程有限公司
地址:上海市浦東新區川宏路528號宏圖大樓5樓
