HH49型微阻緩閉蝶式止回閥適用于公稱壓力1 MPa,介質溫度≤80%的清水、污水、海水等介質管道上,以及給、排水加壓泵組上。通過本蝶式止回閥獨特的微阻緩閉裝置,能有效地防止水錘的發生,保證管路系統安全運行。

| 閥體 | 球墨鑄鐵 灰鑄鐵 |
|---|---|
| 蝶板 | 鑄鋼 不銹鋼 |
| 閥桿 | 不銹鋼 |
| 盛扭面 | 丁睛橡膠 |
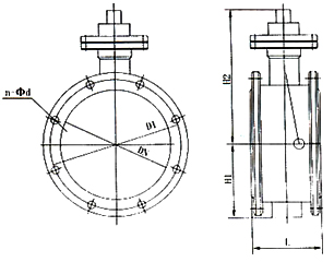
| 公稱通徑 (DN) |
產要尺寸 | 法蘭尺寸和螺栓規格 | |||
|---|---|---|---|---|---|
| 1.0MPa | |||||
| L | H1 | H2 | D1 | n-Φd | |
| 100 | 190 | 110 | 210 | 180 | 8-18 |
| 125 | 200 | 123 | 220 | 210 | 8-18 |
| 150 | 210 | 140 | 250 | 240 | 8-23 |
| 200 | 230 | 168 | 280 | 295 | 12-23 |
| 250 | 250 | 195 | 310 | 350 | 12-23 |
| 300 | 270 | 220 | 350 | 400 | 16-23 |
| 350 | 290 | 250 | 410 | 460 | 16-25 |
| 400 | 310 | 283 | 490 | 515 | 20-25 |
| 450 | 330 | 308 | 520 | 565 | 20-25 |
| 500 | 350 | 335 | 585 | 620 | 20-30 |
| 600 | 390 | 390 | 640 | 725 | 24-30 |
| 700 | 430 | 448 | 700 | 840 | 24-34 |
| 800 | 470 | 505 | 750 | 950 | 28-34 |
| 900 | 510 | 555 | 810 | 1050 | 28-34 |
| 1000 | 550 | 610 | 860 | 1160 | 28-34 |
| 1200 | 630 | 725 | 980 | 1380 | 32-41 |
溫馨提示:
本文中所有文字、數據、圖片均只適用于參考。需要查看更多的HH49型微阻緩閉蝶式止回閥性能參數、結構尺寸參數、價格等詳情,或要求印刷樣本,請聯系我們。
主營產品:氣動調節閥 - 電動調節閥 - 自力式調節閥
版版權所有 © 上海大田閥門管道工程有限公司
地址:上海市浦東新區川宏路528號宏圖大樓5樓
